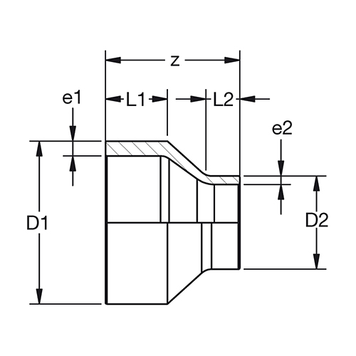
Reduktion, PE 100, SDR 11, kurz, zentrisch

Verfügbakeit: sofort
PE100 Formteile mit kurzen Schweißenden SDR11/17 schwarz
gespritzt, für die Heizelement-Stumpf-Schweißung

Werkstoff
PE100, schwarz. Das Material entspricht den Anforderungen der aktuellen KTW-Leitlinie
des Umweltbundesamtes (UBA).

Geometrische Eigenschaften
Außendurchmesser und Wanddicke entsprechend EN 1555 und EN 12201.
Toleranzen bei den Z-Maßangaben sind abhängig von der Dimension. Bis d/D 160 =
+/- 3 mm. Ab d/D 180 = +/- 10 mm.

Ausführung
Geeignet für Heizelement-Stumpf-Schweißung nach DVS Richtlinie 2207.
Schweiß-Geräte und Schweiß-Werkzeuge sollten der DVS Richtlinie 2208 entsprechen.
 
 
 
alle Preise inkl. MwSt. zzgl. Versandkosten
D1-D2 [mm] e1 [mm] e2 [mm] L1 [mm] L2 [mm] z [mm] Gewicht VE Art.-Nr. Artikel bestellen
                  Preis Menge
25-20 2,3 1,9 12 12 37 0,010 1 2325070635 4,18 €
32-20 3,0 1,9 12 12 43 0,010 1 2325080635 5,14 €
32-25 3,0 2,3 16 14 38 0,010 1 2325080715 4,34 €
40-20 3,7 1,9 12 12 50 0,020 1 2325090635 4,34 €
40-25 3,7 2,3 19 14 47 0,016 1 2325090715 4,99 €
40-32 3,7 3,0 19 15 39 0,016 1 2325090815 4,99 €
50-25 4,6 2,3 19 17 53 0,027 1 2325100715 5,26 €
50-32 4,6 3,0 18 14 44 0,029 1 2325100815 5,26 €
50-40 4,6 3,7 20 19 46 0,029 1 2325100915 5,26 €
63-32 5,8 3,0 23 22 63 0,052 1 2325110815 6,06 €
63-40 5,8 3,7 24 18 58 0,052 1 2325110915 6,16 €
63-50 5,8 4,6 25 20 54 0,059 1 2325111015 6,16 €
75-40 6,9 3,7 29 22 70 0,074 1 2325120935 7,98 €
75-50 6,9 4,6 28 23 71 0,081 1 2325121035 7,98 €
75-63 6,9 5,8 29 31 70 0,100 1 2325121135 7,98 €
90-50 8,2 4,6 26 22 73 0,120 1 2325131015 8,51 €
90-63 8,2 5,8 29 24 71 0,130 1 2325131115 8,51 €
90-75 8,2 6,9 33 33 80 0,160 1 2325131235 8,51 €
110-50 10,0 4,6 33 29 90 0,210 1 2325141035 10,65 €
110-63 10,0 5,8 42 23 91 0,260 1 2325141115 10,65 €
110-75 10,0 6,9 34 35 90 0,250 1 2325141235 10,65 €
110-90 10,0 8,2 40 28 88 0,270 1 2325141315 10,65 €
125-63 11,4 5,8 40 34 100 0,300 1 2325151135 13,62 €
125-75 11,4 6,9 48 31 103 0,320 1 2325151215 13,62 €
125-90 11,4 8,2 38 30 100 0,390 1 2325151315 13,62 €
125-110 11,4 10,0 40 48 100 0,400 1 2325151435 13,62 €
140-75 12,7 6,9 49 37 110 0,460 1 2325161235 16,62 €
140-90 12,7 8,2 45 28 126 0,440 1 2325161335 16,62 €
140-110 12,7 10,0 45 34 126 0,500 1 2325161435 16,62 €
140-125 12,7 11,4 45 42 128 0,550 1 2325161535 16,62 €
160-90 14,6 8,2 53 37 160 0,670 1 2325171335 19,28 €
160-110 14,6 10,0 50 39 125 0,740 1 2325171415 19,28 €
160-125 14,6 11,4 54 45 120 0,700 1 2325171535 19,28 €
160-140 14,6 12,7 44 43 98 0,810 1 2325171615 19,28 €
180-90 16,4 8,2 59 37 130 0,990 1 2325181335 29,03 €
180-110 16,4 10,0 60 40 130 0,990 1 2325181435 auf Anfrage
180-125 16,4 11,4 62 42 152 1,050 1 2325181515 27,55 €
180-140 16,4 12,7 59 46 130 0,970 1 2325181635 26,47 €
180-160 16,4 14,6 60 55 131 1,210 1 2325181715 26,47 €
200-125 18,2 11,6 60 45 160 1,350 1 2325191515 87,71 €
200-140 18,2 12,7 60 48 140 1,260 1 2325191635 84,42 €
200-160 18,2 14,6 60 54 140 1,520 1 2325191715 65,48 €
200-180 18,2 16,4 60 61 140 1,420 1 2325191835 84,42 €
225-110 20,5 10,0 68 37 190 1,810 1 2325201415 104,67 €
225-140 20,5 12,7 65 57 160 1,800 1 2325201635 97,74 €
225-160 20,5 14,8 65 50 190 2,030 1 2325201715 83,74 €
225-180 20,5 16,4 65 55 190 2,050 1 2325201815 79,91 €
225-200 20,5 18,2 71 71 160 1,900 1 2325201935 70,51 €
250-160 22,8 14,6 70 50 210 2,650 1 2325211715 112,09 €
250-180 22,8 16,4 70 55 200 2,730 1 2325211815 103,68 €
250-200 22,8 18,2 70 60 200 2,960 1 2325211915 95,29 €
250-225 22,8 20,5 70 65 200 3,030 1 2325212015 90,58 €
280-180 25,4 16,4 70 54 213 3,640 1 2325221815 142,73 €
280-200 25,4 18,2 80 60 220 3,810 1 2325221915 124,72 €
280-225 25,4 20,5 80 65 220 3,900 1 2325222015 116,67 €
280-250 25,4 22,7 80 70 220 4,290 1 2325222115 111,91 €
315-200 28,6 18,2 95 85 230 5,100 1 2325231935 159,30 €
315-225 28,6 20,5 90 64 245 5,190 1 2325232015 217,57 €
315-250 28,6 22,7 90 70 245 5,560 1 2325232115 128,21 €
315-280 28,6 25,5 90 80 245 5,770 1 2325232215 120,08 €
355-225 32,2 20,5 57 40 140 4,700 1 2325242035 225,81 €
355-250 32,2 22,7 95 70 265 7,190 1 2325242115 208,46 €
355-280 32,2 25,4 95 80 270 7,500 1 2325242215 193,76 €
355-315 32,2 28,6 95 90 270 8,030 1 2325242315 187,85 €
400-280 36,6 25,4 105 80 295 9,770 1 2325252215 610,98 €
400-315 36,6 28,6 105 90 300 10,500 1 2325252315 579,49 €
400-355 36,6 32,2 105 95 295 10,900 1 2325252415 413,83 €
450-315 40,9 28,6 56 40 168 7,820 1 2325262335 777,38 €
450-355 40,9 32,2 52 43 143 8,450 1 2325262435 749,12 €
450-400 40,9 36,4 60 57 143 7,600 1 2325262535 556,16 €
500-355 45,4 32,2 57 38 161 9,300 1 2325272435 763,04 €
500-400 45,4 36,3 57 58 160 9,600 1 2325272535 709,32 €
500-450 45,4 41,0 60 40 120 9,800 1 2325272635 771,93 €
560-400 50,8 36,6 72 37 196 15,900 1 2325282535 964,92 €
560-450 50,8 40,9 79 60 196 14,700 1 2325282635 790,43 €
560-500 50,8 45,5 77 75 177 14,800 1 2325282735 693,91 €
630-450 57,2 40,9 60 40 200 21,300 1 2325292635 1062,90 €
630-500 57,2 45,5 67 40 150 21,100 1 2325292735 1012,83 €
630-560 57,2 51,0 64 40 130 19,200 1 2325292835 830,61 €
alle Preise inkl. MwSt. zzgl. Versandkosten
Hinweis:
Für diesen Artikel kann kein Gesamtpreis berechnet werden. Daher wird aus Ihrem Warenkorb eine Anfrage und Sie erhalten von uns schnellstens ein Angebot mit allen Preisangaben, bevor Sie verbindlich bestellen.
Hinweis:
Für diesen Artikel kann kein Gesamtpreis berechnet werden. Daher wird aus Ihrem Warenkorb eine Anfrage und Sie erhalten von uns schnellstens ein Angebot mit allen Preisangaben, bevor Sie verbindlich bestellen.
Hinweis:
Für diesen Artikel kann kein Gesamtpreis berechnet werden. Daher wird aus Ihrem Warenkorb eine Anfrage und Sie erhalten von uns schnellstens ein Angebot mit allen Preisangaben, bevor Sie verbindlich bestellen.
Hinweis:
Für diesen Artikel kann kein Gesamtpreis berechnet werden. Daher wird aus Ihrem Warenkorb eine Anfrage und Sie erhalten von uns schnellstens ein Angebot mit allen Preisangaben, bevor Sie verbindlich bestellen.
Hinweis:
Für diesen Artikel kann kein Gesamtpreis berechnet werden. Daher wird aus Ihrem Warenkorb eine Anfrage und Sie erhalten von uns schnellstens ein Angebot mit allen Preisangaben, bevor Sie verbindlich bestellen.
Hinweis:
Für diesen Artikel kann kein Gesamtpreis berechnet werden. Daher wird aus Ihrem Warenkorb eine Anfrage und Sie erhalten von uns schnellstens ein Angebot mit allen Preisangaben, bevor Sie verbindlich bestellen.
Hinweis:
Für diesen Artikel kann kein Gesamtpreis berechnet werden. Daher wird aus Ihrem Warenkorb eine Anfrage und Sie erhalten von uns schnellstens ein Angebot mit allen Preisangaben, bevor Sie verbindlich bestellen.
Hinweis:
Für diesen Artikel kann kein Gesamtpreis berechnet werden. Daher wird aus Ihrem Warenkorb eine Anfrage und Sie erhalten von uns schnellstens ein Angebot mit allen Preisangaben, bevor Sie verbindlich bestellen.
Hinweis:
Für diesen Artikel kann kein Gesamtpreis berechnet werden. Daher wird aus Ihrem Warenkorb eine Anfrage und Sie erhalten von uns schnellstens ein Angebot mit allen Preisangaben, bevor Sie verbindlich bestellen.
Hinweis:
Für diesen Artikel kann kein Gesamtpreis berechnet werden. Daher wird aus Ihrem Warenkorb eine Anfrage und Sie erhalten von uns schnellstens ein Angebot mit allen Preisangaben, bevor Sie verbindlich bestellen.
Hinweis:
Für diesen Artikel kann kein Gesamtpreis berechnet werden. Daher wird aus Ihrem Warenkorb eine Anfrage und Sie erhalten von uns schnellstens ein Angebot mit allen Preisangaben, bevor Sie verbindlich bestellen.
Hinweis:
Für diesen Artikel kann kein Gesamtpreis berechnet werden. Daher wird aus Ihrem Warenkorb eine Anfrage und Sie erhalten von uns schnellstens ein Angebot mit allen Preisangaben, bevor Sie verbindlich bestellen.
Hinweis:
Für diesen Artikel kann kein Gesamtpreis berechnet werden. Daher wird aus Ihrem Warenkorb eine Anfrage und Sie erhalten von uns schnellstens ein Angebot mit allen Preisangaben, bevor Sie verbindlich bestellen.
Hinweis:
Für diesen Artikel kann kein Gesamtpreis berechnet werden. Daher wird aus Ihrem Warenkorb eine Anfrage und Sie erhalten von uns schnellstens ein Angebot mit allen Preisangaben, bevor Sie verbindlich bestellen.
Hinweis:
Für diesen Artikel kann kein Gesamtpreis berechnet werden. Daher wird aus Ihrem Warenkorb eine Anfrage und Sie erhalten von uns schnellstens ein Angebot mit allen Preisangaben, bevor Sie verbindlich bestellen.
Hinweis:
Für diesen Artikel kann kein Gesamtpreis berechnet werden. Daher wird aus Ihrem Warenkorb eine Anfrage und Sie erhalten von uns schnellstens ein Angebot mit allen Preisangaben, bevor Sie verbindlich bestellen.
Hinweis:
Für diesen Artikel kann kein Gesamtpreis berechnet werden. Daher wird aus Ihrem Warenkorb eine Anfrage und Sie erhalten von uns schnellstens ein Angebot mit allen Preisangaben, bevor Sie verbindlich bestellen.
Hinweis:
Für diesen Artikel kann kein Gesamtpreis berechnet werden. Daher wird aus Ihrem Warenkorb eine Anfrage und Sie erhalten von uns schnellstens ein Angebot mit allen Preisangaben, bevor Sie verbindlich bestellen.
Hinweis:
Für diesen Artikel kann kein Gesamtpreis berechnet werden. Daher wird aus Ihrem Warenkorb eine Anfrage und Sie erhalten von uns schnellstens ein Angebot mit allen Preisangaben, bevor Sie verbindlich bestellen.
Hinweis:
Für diesen Artikel kann kein Gesamtpreis berechnet werden. Daher wird aus Ihrem Warenkorb eine Anfrage und Sie erhalten von uns schnellstens ein Angebot mit allen Preisangaben, bevor Sie verbindlich bestellen.
Hinweis:
Für diesen Artikel kann kein Gesamtpreis berechnet werden. Daher wird aus Ihrem Warenkorb eine Anfrage und Sie erhalten von uns schnellstens ein Angebot mit allen Preisangaben, bevor Sie verbindlich bestellen.
Hinweis:
Für diesen Artikel kann kein Gesamtpreis berechnet werden. Daher wird aus Ihrem Warenkorb eine Anfrage und Sie erhalten von uns schnellstens ein Angebot mit allen Preisangaben, bevor Sie verbindlich bestellen.
Hinweis:
Für diesen Artikel kann kein Gesamtpreis berechnet werden. Daher wird aus Ihrem Warenkorb eine Anfrage und Sie erhalten von uns schnellstens ein Angebot mit allen Preisangaben, bevor Sie verbindlich bestellen.
Hinweis:
Für diesen Artikel kann kein Gesamtpreis berechnet werden. Daher wird aus Ihrem Warenkorb eine Anfrage und Sie erhalten von uns schnellstens ein Angebot mit allen Preisangaben, bevor Sie verbindlich bestellen.
Hinweis:
Für diesen Artikel kann kein Gesamtpreis berechnet werden. Daher wird aus Ihrem Warenkorb eine Anfrage und Sie erhalten von uns schnellstens ein Angebot mit allen Preisangaben, bevor Sie verbindlich bestellen.
Hinweis:
Für diesen Artikel kann kein Gesamtpreis berechnet werden. Daher wird aus Ihrem Warenkorb eine Anfrage und Sie erhalten von uns schnellstens ein Angebot mit allen Preisangaben, bevor Sie verbindlich bestellen.
Hinweis:
Für diesen Artikel kann kein Gesamtpreis berechnet werden. Daher wird aus Ihrem Warenkorb eine Anfrage und Sie erhalten von uns schnellstens ein Angebot mit allen Preisangaben, bevor Sie verbindlich bestellen.
Hinweis:
Für diesen Artikel kann kein Gesamtpreis berechnet werden. Daher wird aus Ihrem Warenkorb eine Anfrage und Sie erhalten von uns schnellstens ein Angebot mit allen Preisangaben, bevor Sie verbindlich bestellen.
Hinweis:
Für diesen Artikel kann kein Gesamtpreis berechnet werden. Daher wird aus Ihrem Warenkorb eine Anfrage und Sie erhalten von uns schnellstens ein Angebot mit allen Preisangaben, bevor Sie verbindlich bestellen.
Hinweis:
Für diesen Artikel kann kein Gesamtpreis berechnet werden. Daher wird aus Ihrem Warenkorb eine Anfrage und Sie erhalten von uns schnellstens ein Angebot mit allen Preisangaben, bevor Sie verbindlich bestellen.
Hinweis:
Für diesen Artikel kann kein Gesamtpreis berechnet werden. Daher wird aus Ihrem Warenkorb eine Anfrage und Sie erhalten von uns schnellstens ein Angebot mit allen Preisangaben, bevor Sie verbindlich bestellen.
Hinweis:
Für diesen Artikel kann kein Gesamtpreis berechnet werden. Daher wird aus Ihrem Warenkorb eine Anfrage und Sie erhalten von uns schnellstens ein Angebot mit allen Preisangaben, bevor Sie verbindlich bestellen.
Hinweis:
Für diesen Artikel kann kein Gesamtpreis berechnet werden. Daher wird aus Ihrem Warenkorb eine Anfrage und Sie erhalten von uns schnellstens ein Angebot mit allen Preisangaben, bevor Sie verbindlich bestellen.
Hinweis:
Für diesen Artikel kann kein Gesamtpreis berechnet werden. Daher wird aus Ihrem Warenkorb eine Anfrage und Sie erhalten von uns schnellstens ein Angebot mit allen Preisangaben, bevor Sie verbindlich bestellen.
Hinweis:
Für diesen Artikel kann kein Gesamtpreis berechnet werden. Daher wird aus Ihrem Warenkorb eine Anfrage und Sie erhalten von uns schnellstens ein Angebot mit allen Preisangaben, bevor Sie verbindlich bestellen.
Hinweis:
Für diesen Artikel kann kein Gesamtpreis berechnet werden. Daher wird aus Ihrem Warenkorb eine Anfrage und Sie erhalten von uns schnellstens ein Angebot mit allen Preisangaben, bevor Sie verbindlich bestellen.
Hinweis:
Für diesen Artikel kann kein Gesamtpreis berechnet werden. Daher wird aus Ihrem Warenkorb eine Anfrage und Sie erhalten von uns schnellstens ein Angebot mit allen Preisangaben, bevor Sie verbindlich bestellen.
Hinweis:
Für diesen Artikel kann kein Gesamtpreis berechnet werden. Daher wird aus Ihrem Warenkorb eine Anfrage und Sie erhalten von uns schnellstens ein Angebot mit allen Preisangaben, bevor Sie verbindlich bestellen.
Hinweis:
Für diesen Artikel kann kein Gesamtpreis berechnet werden. Daher wird aus Ihrem Warenkorb eine Anfrage und Sie erhalten von uns schnellstens ein Angebot mit allen Preisangaben, bevor Sie verbindlich bestellen.
Hinweis:
Für diesen Artikel kann kein Gesamtpreis berechnet werden. Daher wird aus Ihrem Warenkorb eine Anfrage und Sie erhalten von uns schnellstens ein Angebot mit allen Preisangaben, bevor Sie verbindlich bestellen.
Hinweis:
Für diesen Artikel kann kein Gesamtpreis berechnet werden. Daher wird aus Ihrem Warenkorb eine Anfrage und Sie erhalten von uns schnellstens ein Angebot mit allen Preisangaben, bevor Sie verbindlich bestellen.
Hinweis:
Für diesen Artikel kann kein Gesamtpreis berechnet werden. Daher wird aus Ihrem Warenkorb eine Anfrage und Sie erhalten von uns schnellstens ein Angebot mit allen Preisangaben, bevor Sie verbindlich bestellen.
Hinweis:
Für diesen Artikel kann kein Gesamtpreis berechnet werden. Daher wird aus Ihrem Warenkorb eine Anfrage und Sie erhalten von uns schnellstens ein Angebot mit allen Preisangaben, bevor Sie verbindlich bestellen.
Hinweis:
Für diesen Artikel kann kein Gesamtpreis berechnet werden. Daher wird aus Ihrem Warenkorb eine Anfrage und Sie erhalten von uns schnellstens ein Angebot mit allen Preisangaben, bevor Sie verbindlich bestellen.
Hinweis:
Für diesen Artikel kann kein Gesamtpreis berechnet werden. Daher wird aus Ihrem Warenkorb eine Anfrage und Sie erhalten von uns schnellstens ein Angebot mit allen Preisangaben, bevor Sie verbindlich bestellen.
Hinweis:
Für diesen Artikel kann kein Gesamtpreis berechnet werden. Daher wird aus Ihrem Warenkorb eine Anfrage und Sie erhalten von uns schnellstens ein Angebot mit allen Preisangaben, bevor Sie verbindlich bestellen.
Hinweis:
Für diesen Artikel kann kein Gesamtpreis berechnet werden. Daher wird aus Ihrem Warenkorb eine Anfrage und Sie erhalten von uns schnellstens ein Angebot mit allen Preisangaben, bevor Sie verbindlich bestellen.
Hinweis:
Für diesen Artikel kann kein Gesamtpreis berechnet werden. Daher wird aus Ihrem Warenkorb eine Anfrage und Sie erhalten von uns schnellstens ein Angebot mit allen Preisangaben, bevor Sie verbindlich bestellen.
Hinweis:
Für diesen Artikel kann kein Gesamtpreis berechnet werden. Daher wird aus Ihrem Warenkorb eine Anfrage und Sie erhalten von uns schnellstens ein Angebot mit allen Preisangaben, bevor Sie verbindlich bestellen.
Hinweis:
Für diesen Artikel kann kein Gesamtpreis berechnet werden. Daher wird aus Ihrem Warenkorb eine Anfrage und Sie erhalten von uns schnellstens ein Angebot mit allen Preisangaben, bevor Sie verbindlich bestellen.
Hinweis:
Für diesen Artikel kann kein Gesamtpreis berechnet werden. Daher wird aus Ihrem Warenkorb eine Anfrage und Sie erhalten von uns schnellstens ein Angebot mit allen Preisangaben, bevor Sie verbindlich bestellen.
Hinweis:
Für diesen Artikel kann kein Gesamtpreis berechnet werden. Daher wird aus Ihrem Warenkorb eine Anfrage und Sie erhalten von uns schnellstens ein Angebot mit allen Preisangaben, bevor Sie verbindlich bestellen.
Hinweis:
Für diesen Artikel kann kein Gesamtpreis berechnet werden. Daher wird aus Ihrem Warenkorb eine Anfrage und Sie erhalten von uns schnellstens ein Angebot mit allen Preisangaben, bevor Sie verbindlich bestellen.
Hinweis:
Für diesen Artikel kann kein Gesamtpreis berechnet werden. Daher wird aus Ihrem Warenkorb eine Anfrage und Sie erhalten von uns schnellstens ein Angebot mit allen Preisangaben, bevor Sie verbindlich bestellen.
Hinweis:
Für diesen Artikel kann kein Gesamtpreis berechnet werden. Daher wird aus Ihrem Warenkorb eine Anfrage und Sie erhalten von uns schnellstens ein Angebot mit allen Preisangaben, bevor Sie verbindlich bestellen.
Hinweis:
Für diesen Artikel kann kein Gesamtpreis berechnet werden. Daher wird aus Ihrem Warenkorb eine Anfrage und Sie erhalten von uns schnellstens ein Angebot mit allen Preisangaben, bevor Sie verbindlich bestellen.
Hinweis:
Für diesen Artikel kann kein Gesamtpreis berechnet werden. Daher wird aus Ihrem Warenkorb eine Anfrage und Sie erhalten von uns schnellstens ein Angebot mit allen Preisangaben, bevor Sie verbindlich bestellen.
Hinweis:
Für diesen Artikel kann kein Gesamtpreis berechnet werden. Daher wird aus Ihrem Warenkorb eine Anfrage und Sie erhalten von uns schnellstens ein Angebot mit allen Preisangaben, bevor Sie verbindlich bestellen.
Hinweis:
Für diesen Artikel kann kein Gesamtpreis berechnet werden. Daher wird aus Ihrem Warenkorb eine Anfrage und Sie erhalten von uns schnellstens ein Angebot mit allen Preisangaben, bevor Sie verbindlich bestellen.
Hinweis:
Für diesen Artikel kann kein Gesamtpreis berechnet werden. Daher wird aus Ihrem Warenkorb eine Anfrage und Sie erhalten von uns schnellstens ein Angebot mit allen Preisangaben, bevor Sie verbindlich bestellen.
Hinweis:
Für diesen Artikel kann kein Gesamtpreis berechnet werden. Daher wird aus Ihrem Warenkorb eine Anfrage und Sie erhalten von uns schnellstens ein Angebot mit allen Preisangaben, bevor Sie verbindlich bestellen.
Hinweis:
Für diesen Artikel kann kein Gesamtpreis berechnet werden. Daher wird aus Ihrem Warenkorb eine Anfrage und Sie erhalten von uns schnellstens ein Angebot mit allen Preisangaben, bevor Sie verbindlich bestellen.
Hinweis:
Für diesen Artikel kann kein Gesamtpreis berechnet werden. Daher wird aus Ihrem Warenkorb eine Anfrage und Sie erhalten von uns schnellstens ein Angebot mit allen Preisangaben, bevor Sie verbindlich bestellen.
Hinweis:
Für diesen Artikel kann kein Gesamtpreis berechnet werden. Daher wird aus Ihrem Warenkorb eine Anfrage und Sie erhalten von uns schnellstens ein Angebot mit allen Preisangaben, bevor Sie verbindlich bestellen.
Hinweis:
Für diesen Artikel kann kein Gesamtpreis berechnet werden. Daher wird aus Ihrem Warenkorb eine Anfrage und Sie erhalten von uns schnellstens ein Angebot mit allen Preisangaben, bevor Sie verbindlich bestellen.
Hinweis:
Für diesen Artikel kann kein Gesamtpreis berechnet werden. Daher wird aus Ihrem Warenkorb eine Anfrage und Sie erhalten von uns schnellstens ein Angebot mit allen Preisangaben, bevor Sie verbindlich bestellen.
Hinweis:
Für diesen Artikel kann kein Gesamtpreis berechnet werden. Daher wird aus Ihrem Warenkorb eine Anfrage und Sie erhalten von uns schnellstens ein Angebot mit allen Preisangaben, bevor Sie verbindlich bestellen.
Hinweis:
Für diesen Artikel kann kein Gesamtpreis berechnet werden. Daher wird aus Ihrem Warenkorb eine Anfrage und Sie erhalten von uns schnellstens ein Angebot mit allen Preisangaben, bevor Sie verbindlich bestellen.
Hinweis:
Für diesen Artikel kann kein Gesamtpreis berechnet werden. Daher wird aus Ihrem Warenkorb eine Anfrage und Sie erhalten von uns schnellstens ein Angebot mit allen Preisangaben, bevor Sie verbindlich bestellen.
Hinweis:
Für diesen Artikel kann kein Gesamtpreis berechnet werden. Daher wird aus Ihrem Warenkorb eine Anfrage und Sie erhalten von uns schnellstens ein Angebot mit allen Preisangaben, bevor Sie verbindlich bestellen.
Hinweis:
Für diesen Artikel kann kein Gesamtpreis berechnet werden. Daher wird aus Ihrem Warenkorb eine Anfrage und Sie erhalten von uns schnellstens ein Angebot mit allen Preisangaben, bevor Sie verbindlich bestellen.
Hinweis:
Für diesen Artikel kann kein Gesamtpreis berechnet werden. Daher wird aus Ihrem Warenkorb eine Anfrage und Sie erhalten von uns schnellstens ein Angebot mit allen Preisangaben, bevor Sie verbindlich bestellen.
Hinweis:
Für diesen Artikel kann kein Gesamtpreis berechnet werden. Daher wird aus Ihrem Warenkorb eine Anfrage und Sie erhalten von uns schnellstens ein Angebot mit allen Preisangaben, bevor Sie verbindlich bestellen.
Hinweis:
Für diesen Artikel kann kein Gesamtpreis berechnet werden. Daher wird aus Ihrem Warenkorb eine Anfrage und Sie erhalten von uns schnellstens ein Angebot mit allen Preisangaben, bevor Sie verbindlich bestellen.
Hinweis:
Für diesen Artikel kann kein Gesamtpreis berechnet werden. Daher wird aus Ihrem Warenkorb eine Anfrage und Sie erhalten von uns schnellstens ein Angebot mit allen Preisangaben, bevor Sie verbindlich bestellen.
Hinweis:
Für diesen Artikel kann kein Gesamtpreis berechnet werden. Daher wird aus Ihrem Warenkorb eine Anfrage und Sie erhalten von uns schnellstens ein Angebot mit allen Preisangaben, bevor Sie verbindlich bestellen.
Hinweis:
Für diesen Artikel kann kein Gesamtpreis berechnet werden. Daher wird aus Ihrem Warenkorb eine Anfrage und Sie erhalten von uns schnellstens ein Angebot mit allen Preisangaben, bevor Sie verbindlich bestellen.
Hinweis:
Für diesen Artikel kann kein Gesamtpreis berechnet werden. Daher wird aus Ihrem Warenkorb eine Anfrage und Sie erhalten von uns schnellstens ein Angebot mit allen Preisangaben, bevor Sie verbindlich bestellen.
Hinweis:
Für diesen Artikel kann kein Gesamtpreis berechnet werden. Daher wird aus Ihrem Warenkorb eine Anfrage und Sie erhalten von uns schnellstens ein Angebot mit allen Preisangaben, bevor Sie verbindlich bestellen.




PE-Formteile mit kurzen Schweißenden SDR 11/17 in Schwarz - Qualität für präzise Heizelement-Stumpf-Schweißung



 
Unsere spritzgegossenen PE-Formteile mit kurzen schweißenden SDR 11/17 in Schwarz bieten die perfekte Lösung für präzise Heizelement-Stumpf-Schweißungen in Ihren Rohrleitungssystemen. Mit herausragender Qualität und langlebiger Leistung sind diese Formteile speziell für anspruchsvolle Anwendungen entwickelt worden.

Unsere PE-Formteile bestehen aus hochwertigem Polyethylen (PE), das durch das Spritzgussverfahren hergestellt wird. Der schwarze Farbton verleiht den Formteilen nicht nur ein ansprechendes Erscheinungsbild, sondern bietet auch eine verbesserte UV-Beständigkeit für den Einsatz im Freien. Dies ermöglicht eine problemlose Installation ohne zusätzliche Schutzmaßnahmen.

Die kurzen schweißenden SDR 11/17 Eigenschaften der Formteile gewährleisten eine sichere und zuverlässige Verbindung mit anderen Rohren. Dies ist besonders wichtig bei Heizelement-Stumpf-Schweißungen, bei denen eine präzise Ausrichtung und eine starke Schweißnaht erforderlich sind.

Unsere PE-Formteile mit kurzen schweißenden SDR 11/17 in Schwarz bieten eine Vielzahl von Vorteilen. Sie sind leicht, robust und chemisch beständig, was sie ideal für den Einsatz in verschiedenen Industrie- und Anwendungsbereichen macht. Zudem bieten sie eine hohe Schlagzähigkeit, auch bei extremen Temperaturen, sowie eine ausgezeichnete Korrosionsbeständigkeit.

Die Formteile entsprechen den gängigen Normen und Zulassungen für die Rohrleitungstechnik, sodass Sie sich auf ihre Qualität und Zuverlässigkeit verlassen können. Sie sind für die Heizelement-Stumpf-Schweißung konzipiert und ermöglichen eine effiziente und sichere Installation Ihrer Rohrsysteme.

Unser Unternehmen legt großen Wert auf höchste Qualitätsstandards. Deshalb werden alle unsere PE-Formteile mit kurzen schweißenden SDR 11/17 in Schwarz sorgfältig geprüft und entsprechen den strengen Anforderungen der geltenden Industrienormen. Wir sind stolz darauf, Ihnen Produkte anzubieten, die Ihren Erwartungen in Bezug auf Leistung, Zuverlässigkeit und Haltbarkeit gerecht werden.

Vertrauen Sie auf unsere langjährige Erfahrung und Expertise in der Herstellung von PE-Formteilen. Wir sind Ihr zuverlässiger Partner für hochwertige Lösungen in der Rohrleitungstechnik. Kontaktieren Sie uns noch heute, um mehr über unsere PE-Formteile mit kurzen schweißenden SDR 11/17 in Schwarz zu erfahren und wie wir Ihnen bei Ihren spezifischen Anforderungen weiterhelfen können.






Ihre Wünsche, unsere Lösungen - Ein umfangreiches Lieferprogramm nach Maß.



Kunststoffrohrsysteme


Rohrsysteme aus Kunststoff im Überblick
Technische Informationen ABS Rohrsysteme
Technische Informationen PVC  U Rohrsysteme
Technische Informationen PVC  U Transparent Rohrsysteme
Technische Informationen PVC  C Rohrsysteme
Technische Informationen PP Rohrsysteme
Technische Informationen PP-R Rohrsysteme
Technische Informationen PE Rohrsysteme
Technische Informationen PVDF Rohrsysteme

Chemiedur


Technische Informationen UP-GF (GFK) Rohrsysteme
UP-GF (GFK) Rohre
UP-GF (GFK) Formteile und Verbindungen
UP-GF-PP (GFK) Formteile und Verbindungen
UP-GF (GFK) Klebebunde
UP-GF (GFK) Losflansche
PP/GFK Schmutzfänger DN 200 - DN 500
GFK/CSS  Schmutzfänger DN 200 - DN 500
PP/GFK  Schrägsitzschmutzfänger DN 200 - DN 400
GFK und PP/GFK Mannlochdeckel DN 500 - DN 800


Kunststoffrohre


Rohrzuschnitssrechner
Sägehinweise Kunststoffrohre
Kunststoffrohr - Restebörse
Normung - Kunststoffrohre und Formteile
PVC U Rohrabweichungen
Druckverlust PVCU, PVCC und ABS Rohrsysteme
Unterschied Rp, R und G Gewinde
Schraubenlängen für Flanschverbindungen
Dichtungen: PTFE, NBR, FKM, EPDM

Kunststoffarmaturen


PVC U Transparent Kugelhahn
Membranventile
Blockventile
Absperrklappen
Nadelventile aus Kunststoff



 

Kunststoffarmaturen nach ATEX


ATEX-Leitlinien allgemein
Neue EU Richtlinie 2014/34/EU
Kunststoffarmaturen in Ex-Zonen
Schmutzfänger PP-EL DN 15 - DN 50
Rückschlagventil PP-EL DN 15 - DN 50
Schrägsitzventil PP-EL DN 15 - DN 50

Kleben von Kunststoffrohren


Klebeanleitung
Klebeanleitung per Video

Kunststoffschweißen


Hinweise zum Extrusionsschweissen


Gitterroste / Tragroste


GFK Gitterroste
Gitterroste PP -el elektrisch Leitfähig
Profiltragroste PP -el elektrisch Leitfähig


Lüftungsformteile


Lüftungstechnik
Revisionsdeckel für Lüftungskanäle
Luftstromüberwachung


Chemieschlauch


PVC Transparentschlauch mit Textileinlage


Industrie- und Chemiebehälter


Dosierbehälter-Konfigurator
Dosierbehälter  und Überbehälter 35 – 1000 Liter
Salzlösebehälter 60 -5000 Liter
Lagerbehälter & Bottiche
Lagerbehälter für Wasser
Sicherheits- und Auffangwannen
Lieferprogramm Industriebehälter
Dosierbehälter mit Rührwerk
Rührwerk für Dosierbehälter
Dosierbehälter mit Anbauvarianten
Dosierbehälter aus Plattenmaterial
Chemiebehälter - Kundenlösungen
Dosierbehälter mit Füllstandsanzeigen
GFK Behälter für den schweren Chemieeinsatz



 

IBC TANK / CONTAINER


IBC Schraubdeckel DN 150/DN 200
IBC Adapter aus PE
IBC Adapter aus PP
MULTI FLEX BLOCK für IBC Bulk Container
Sauglanze für MULTI FLEX BLOCK und IBC Bulk Container
Heizhaube für IBC Bulk Container

Anwendungsbeispiele
MULTI FLEX BLOCK


Legionellen in Rückkühlwerken


Anbauteile für den Behälterbau


Säuredunstscheider
CO2 - Absorber
Fallbeispiel CO2 - Absorber
Mannlochdeckel
Revisionsstutzen
Blockflansche
Klöpperboden aus PP-CPK, PE-SK, PVDF-geätzt, PVC U und PVC-C


Filtergehäuse und Filterkerzen


PENTEK 3G Slime Line Gehäuse
PENTEK 3G Standard Filtergehäuse
PENTEK Big Blue Filtergehäuse
PENTEK PP Hochtemperatur Filtergehäuse
PENTEK PP Natur Filtergehäuse
PENTEK Filterbeutel für Big Blue Filtergehäuse
PENTEK Filtereinsätze für Oberflächenfiltration
PENTEK Filtereinsätze für Tiefenfiltration
PENTEK Filtereinsätze mit Aktivkohle
CINTROPUR Filtersysteme
CINTROPUR Wasserfilter
Enthärtungsanlage KAWK
Heizungswasser Umkehrosmose INDUWA


Flansch-Konfigurator


Blindflansch-Losflansch-Rechteckflansch

Chemische Beständigkeit


Beständigkeitsliste für Rohrsystemen aus Kunststoff

Kunststoffapparatebau


Tropfenabscheider aus PVC U, PP, PPs, PE und Verbundwerkstoffen

 

Kunststoff-Drehteile


Einlegteile
Einschraubteile
Gewindefittings
Verschraubungen

Kunststoff-Frästeile


Los- und Blindflansche aus Platten


Statische Mischer


Statische Mischer aus Kunststoff


Kompensatoren


Kompensatoren für Kunststoffrohrsysteme


Schmutzfänger


Einzel- und Doppelschmutzfänger
Topfschmutzfänger DN 300
Schrägsitzschmutzfänger DN 500


Durchflussmesser


Schwebekörperdurchflussmesser
Konfigurator für Durchflussmesser
Messwertgeber für Schwebekörperdurchflussmesser
Nebenstrom - Durchflussmesser


Filterpressen


Laborfilterpresse


Spritzgussteile


Schaber aus PE für Filterpressen


Kwerk Praxis Blog


Hier bloggt das Kwerk Team aus der Praxis


Westerwald - Spezial


Westerwälder Säurekitt


Kwerk GmbH International


Unsere Webseite in Englisch


Partnerschaft auf höchstem Niveau


 
         
 
 
 
       
 
 
         
 
DETAIL-INFORMATIONEN
DATENBLATT KOMPAKT
DOWNLOADS
CAD-FILES
keine CAD-Dateien vorhanden
ONLINE-TOOLS
ANGEBOT ANFORDERN
PROJEKT-ANFRAGE STARTEN